Planung
Wir schauen über den Tellerrand, hinterfragen Annahmen, ermitteln den tatsächlichen Bedarf und analysieren den Gesamtprozess und die Nutzererwartungen.
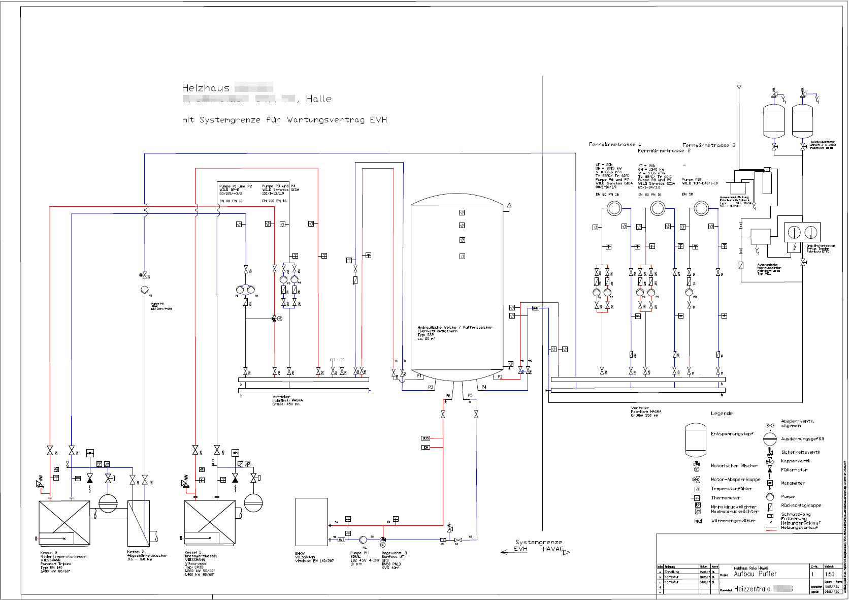
Erst wenn all die Randbedingungen geklärt sind, starten wir die Planung mit Fachingenieuren der Bereiche Wärme, Kälte, Elektroenergie, Druckluft und anderer beteiligter Medien.
Gemeinsam kommen wir zur energie- und kosteneffizientesten Anlagenkonfiguration.
Mit unseren qualifizierten Ausführungspartnern realisieren wir den Anlagenbau, Inbetriebnahme und Betriebsüberwachung. So ist sichergestellt, dass unsere Planungen auch bis ins letzte Detail umgesetzt werden.
Erst wenn all die Randbedingungen geklärt sind, starten wir die Planung mit Fachingenieuren der Bereiche Wärme, Kälte, Elektroenergie, Druckluft und anderer beteiligter Medien.
Gemeinsam kommen wir zur energie- und kosteneffizientesten Anlagenkonfiguration.
Mit unseren qualifizierten Ausführungspartnern realisieren wir den Anlagenbau, Inbetriebnahme und Betriebsüberwachung. So ist sichergestellt, dass unsere Planungen auch bis ins letzte Detail umgesetzt werden.

 
  
  
  
 